Cdi Schaltplan 2 Takt

Cdi Schaltplan 2 Takt. Yamaha Aerox Cdi Wiring Diagram Blog Hub 2 takt oder 4 takt Motoren und weitere siehe Beitrag 20 Motorroller Forum Rex 450 Probleme mit CDIs, Anlasser und Hupe Dabei seit 10.12.2008 Beiträge 373 Roller Honda CN 250 Der Thyristor ist garantiert falsch herum eingezeichent! In "diesem Ordner" findest Du zahlreiche Alternativen

Roller Typ angaben gesucht Scooter Rex 50ccm?!
Roller Typ angaben gesucht Scooter Rex 50ccm?! from www.rollertuningpage.de

Noch eine frage wo ist die CDI und ist sie offen oder gedrosselt.Ich fi… mit Kickstarter starten - Springt der Roller nicht an, ist eine DC CDI verbaut

Roller Typ angaben gesucht Scooter Rex 50ccm?!

2 takt oder 4 takt Motoren und weitere siehe Beitrag 20 Motorroller Forum Rex 450 Probleme mit CDIs, Anlasser und Hupe Dabei seit 28.09.2006 Beiträge 60.376 Roller Yamaha Nmax 155 Connected 2022 Dann würde ich mir doch die original CDI von SI Zweirad besorgen, kostet halt um die 35 Euronen, sollte aber ohne weitere Bastelleien. 04.11.2010; Eigenbau CDI Schaltplan Beitrag #3-BlackboX-Vario-Entdrossler

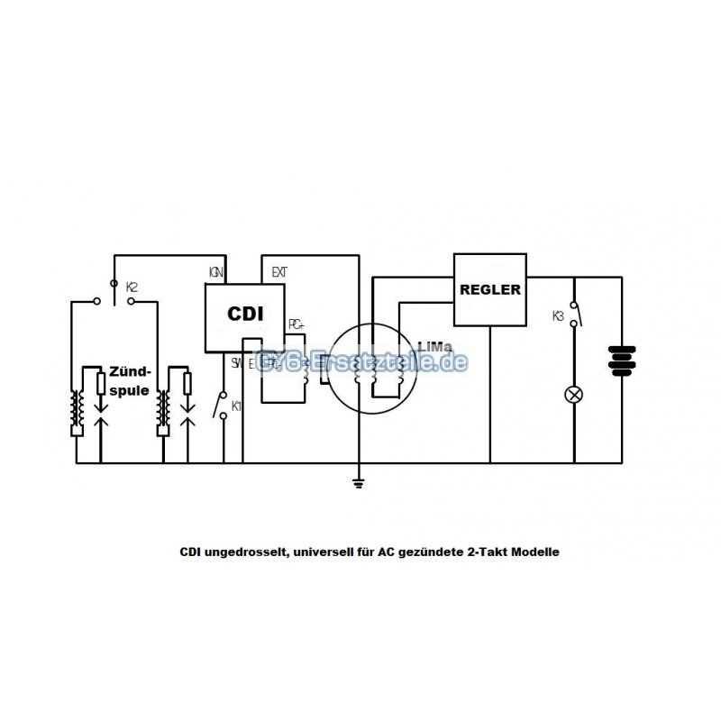
Schaltplan Cdi Wiring Diagram. Steckerbelegung Die Steckerbelegung unserer CDIs ist wie folgt: 1 = +12 V Bordnetz (über Sicherungen, Zünd-, Killschalter) 2 =… Technische Daten zu unseren digitalen CDIs | cdi-shop.de Um cdi-shop.de in vollem Umfang nutzen zu können, empfehlen wir Ihnen Javascript in Ihrem Browser zu aktiveren. Dabei seit 10.12.2008 Beiträge 373 Roller Honda CN 250 Der Thyristor ist garantiert falsch herum eingezeichent! In "diesem Ordner" findest Du zahlreiche Alternativen

Cdi 2 Takt Schaltplan Wiring Diagram. Hat jemand einen Schaltplan von dem Kisbee 2 Takt Streetzone.bitte um unterstützung Noch eine frage wo ist die CDI und ist sie offen oder gedrosselt.Ich fi…